Origineel.

Clip zwart Nissan 01553-06753 M20M/ ME0M Origineel.

Artikelnummer: 0155306753
Artikel 79 van 84
€ 4,56 € 2,00 (inclusief btw)
Voorraad 20 stuks
Overzicht

Nieuw en origineel Nissan.

Dit onderdeel komt voor op diverse plaatsen op de volgende Nissan modellen:

  • Nissan NV200 M20M
  • Nissan E-NV200 ME0M

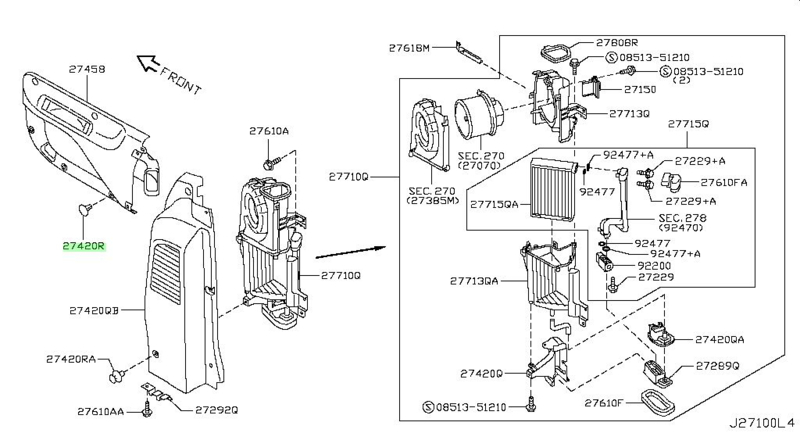
Betreft positienummer 27420R op de tekening.

 

Zoektermen:

01553-06753

01553 06753

0155306753

 

Specificatie Omschrijving
BTW 21%
Conditie Nieuw Origineel Nissan

Winkelwagen

Geen artikelen in winkelwagen.
© 2018 - 2026 Nissan Autoparts | sitemap | rss